Σχεδιασμένο για τοποθέτηση σε τοίχο , αυτό το στήριγμα είναι συμβατό με τα παρακάτω μοντέλα ηχείων Yamaha
- CBR15
- CBR12
- CBR10
- DBR15
- DBR12
- DBR10
- MSR400
- MSR250
- MSR100
- C112VA
- IF2208
- IF2205
- HS8I
- HS7I
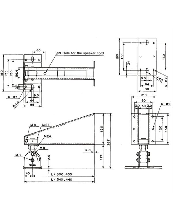
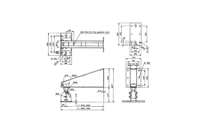
Χαρακτηριστικά :
- Δεν είναι κατάλληλη για την τοποθέτηση του ηχείου εγκάρσια
- Τα περιφερειακά τοποθέτησης (παξιμάδια, μπουλόνια, κ.λπ.) δεν περιλαμβάνονται
- Κατά την διαδικασία τοποθέτησης , βεβαιωθείτε ότι όλα , όπως το υλικό του τοίχου ή του ταβανιού , είναι αρκετά ισχυρά ώστε να υποστηρίζουν το βάρος του ηχείου και του βραχίονα
- Χρώμα: Μαύρο
- Καθαρό βάρος: 4,4 κιλά
- Μέγιστο φορτίο : 30kg

